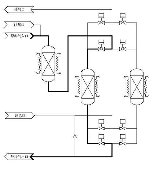
❖ 产品介绍
玖恩智能氮气EGS9(可去除CH4)系列纯化器由前段采用一个装填有定制物料的催化桶在高温下工作,后段采用装填有定制物料的吸附桶在纯化和再生两个模式之间交替工作,实现24H不间断供气,具备完善的报警、联锁、数据记录功能,可实现无人看守自动运行,可自动切换再生,再生是通过纯化后的工艺气体与少量氢气混合进行加热吹扫,纯化模式时催化桶在高温下工作,工作温度在250-300℃之间,吸附桶是在常温下进行工作,再生时的工作温度在 200-250℃之间。

❖ 产品特点
•流量范围10-10000Nm3/h | •可配置0.003微米过滤器 |
•出口气体中各杂质含量小于1ppb | •全自动催化再生、连续供气 |
•可以从惰性气体中去除甲烷 | •使用寿命长达20年以上 |
•316L SS EP纯化罐 | •根据客户需求定制各项参数 |
❖ 纯化能力
适用气体APPLICABLE GAS | N₂ | |
型号MODEL | EGS9 | |
工艺CRAFTS | CAT+ADS | |
杂质IMPURITY | INLET | OUTLET |
ppm | ppb | |
H₂O | <5 | <1 |
O₂ | <3 | <1 |
co | <1 | <1 |
CO₂ | <1 | <1 |
H₂ | <2 | <1 |
CH₄ | <0.5 | <1 |
NMHC | <1 | <1 |
PARTICLES | — | ≤1pcs/m³(@0.003μm) |
流量范围 | — | 10-20000Nm³h |
▶ 备注:表格中仅列出标准型号的指标和配置,更多特殊要求请与工厂联系
❖ 产品选型
流量范围Nm³/h | 工艺气体 | 产品工艺 | 压力范围Bar | 参考尺寸mm |
10-70 | N₂ | 1 x CAT + 2 x ADS 自动再生 | 3.5-10 | 1200*1200*1900 |
80-150 | N₂ | 1 x CAT + 2 x ADS 自动再生 | 3.5-10 | 1450*1450*2050 |
200-300 | N₂ | 1 x CAT + 2 x ADS 自动再生 | 3.5-10 | 1650*2000*2300 |
400-700 | N₂ | 1 x CAT + 2 x ADS 自动再生 | 3.5-10 | 1900*2300*2500 |
800-1000 | N₂ | 1 x CAT + 2 x ADS 自动再生 | 3.5-10 | 2000*2600*2500 |
1500-2000 | N₂ | 1 x CAT + 2 x ADS 自动再生 | 3.5-10 | 4200*2390*2700 |
2500-3000 | N₂ | 1 x CAT + 2 x ADS 自动再生 | 3.5-10 | 4200*2720*2700 |
3000-4000 | N₂ | 1 x CAT + 2 x ADS 自动再生 | 3.5-10 | 5000*2750*2750 |
5000-6000 | N₂ | 1 x CAT + 2 x ADS 自动再生 | 3.5-10 | 6000*2750*2750 |
7000-10000 | N₂ | 1 x CAT + 2 x ADS 自动再生 | 3.5-10 | 9000*2900*2750 |
❖ 应用领域
•大规模集成电路制造 | •光纤预制棒生产 |
•半导体分立器件制造 | •众多半导体工艺设备配套 |
•大尺寸硅片、衬底、外延片生产 | •超高纯气体、混合气体和标准气体生产 |
•LED、激光器制造 | •吹扫气体、载气及零点气体纯化 |
•平板显示器生产 | •大学和研究所等科研机构产品研发 |
•高效太阳能电池生产 | •医药及食品行业 |