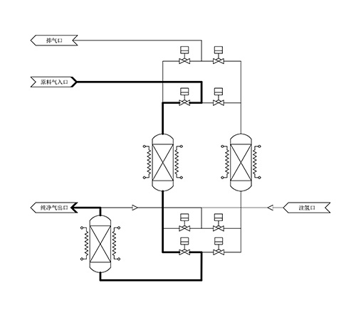
❖ 产品介绍
玖恩智能EGS5-H系列稀有气体(氦、氖、氩、氪、氙)纯化器是通过采用前端填装有定制物料的吸气桶(Getter)在高温下工作,通过不可逆的化学反应来去除杂质,在吸气桶(Getter)后段加装有除氢单元(HRU),具备完善的报警、联锁、数据记录功能,可实现无人看守自动运行,纯化模式时吸气桶(Getter)是在高温下进行工作,工作温度在 400℃左右。

❖ 产品特点
•流量范围10-300Nm3/h | •可配置0.003微米过滤器 |
•出口气体中各杂质含量小于1ppb | •全自动再生、连续供气 |
•可以从惰性气体中去除甲烷 | •使用寿命长达20年以上 |
•316L SS EP纯化罐 | •根据客户需求定制各项参数 |
❖ 纯化能力
适用气体APPLICABLE GAS | Ar、He、Kr、Ne、Xe | |
型号MODEL | EGS5-H | |
工艺CRAFTS | ADS+GET | |
杂质IMPURITY | INLET | OUTLET |
ppm | ppb | |
H₂O | <3 | <1 |
O₂ | <1.5 | <1 |
Co | <1 | <1 |
CO₂ | <1 | <1 |
H₂ | <1 | <1 |
N₂ | <4 | <1 |
CH₄ | <0.5 | <1 |
NMHC | <1 | <1 |
PARTICLES | 一 | ≤1pcs/m³@0.003μm) |
流量范围FLOW RANGE | — | 10-300Nm³h |
▶ 备注:表格中仅列出标准型号的指标和配置,更多特殊要求请与工厂联系
❖ 产品选型
流量范围Nm³/h | 工艺气体 | 产品工艺 | 压力范围Bar | 参考尺寸mm |
20-50 | Ar、He、Kr、Ne、Xe | 2 x ADS 自动再生+1 x Getter | 3.5-10 | 1700*1200*2200 |
60-100 | Ar、He、Kr、Ne、Xe | 2 x ADS 自动再生+2 x Getter | 3.5-10 | 1700*1650*2250 |
150-200 | Ar、He、Kr、Ne、Xe | 2 x ADS 自动再生+2x Getter | 3.5-10 | 1900*1800*2450 |
250-300 | Ar、He、Kr、Ne、Xe | 2 x ADS 自动再生+3 x Getter | 3.5-10 | 2450*1800*2550 |
❖ 应用领域
•大规模集成电路制造 | •光纤预制棒生产 |
•半导体分立器件制造 | •众多半导体工艺设备配套 |
•大尺寸硅片、衬底、外延片生产 | •超高纯气体、混合气体和标准气体生产 |
•LED、激光器制造 | •吹扫气体、载气及零点气体纯化 |
•平板显示器生产 | •大学和研究所等科研机构产品研发 |
•高效太阳能电池生产 | •医药及食品行业 |